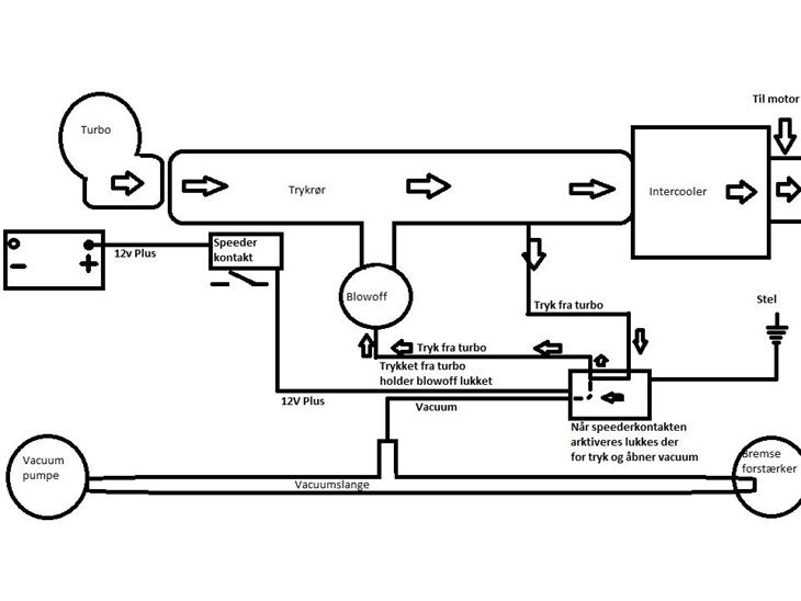
Monteringsguide til blowoff (TDI)
3.443 visninger
|
Oprettet:
en lille guide til montering at blowoff på turbo diesel.
spørgsmål ellers retninger modtages gerne.
Håber den kan bruges og god fornøjelse med monteringen.
spørgsmål ellers retninger modtages gerne.
Håber den kan bruges og god fornøjelse med monteringen.

Monteringsguide til blowoff (TDI)
dec 2006
Følger: 68 Følgere: 66 Biler: 2 Emner: 144 Svar: 375
Men har bare set at mange sætter deres kontakt inde i kabine?
Er din måde bedre?
jan 2012
Følger: 16 Følgere: 14
jun 2011
Følger: 46 Følgere: 51 Biler: 9 Emner: 36 Svar: 208
jan 2012
Følger: 16 Følgere: 14
dec 2003
Følger: 79 Følgere: 78 Biler: 1 Emner: 74 Svar: 7.087
Ellers skal du sætte den så den er aktiveret når speederen er sluppet og så snart den trædes på vil kontakten slippe og lukke for vakuum til BOV'en