1.640 visninger
|
Oprettet:
audi a3, lednings diagram? {{forumTopicSubject}}
Har prøvet at finde et diagram over min styreboks/komfortboks, men uden held. Evt evt en der kunne hjælpe?
maj 2011
Følger: 6 Følgere: 4 Biler: 1 Emner: 16 Svar: 19
maj 2011
Følger: 6 Følgere: 4 Biler: 1 Emner: 16 Svar: 19
sep 2011
Følger: 26 Følgere: 21 Biler: 7 Emner: 32 Svar: 712
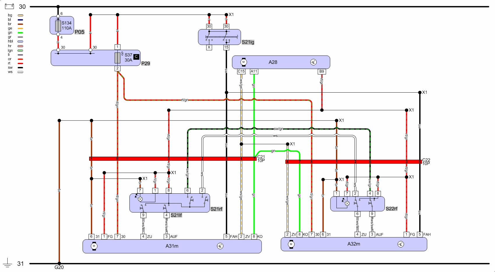
http://image.tolerancedata.com/TekPic/Tolerance_El-diagrammer/A3%2097-~11%20Kabinelys-C%20l%c3%a5s%2005.1997-04.1998.gif
Soltag
http://image.tolerancedata.com/TekPic/Tolerance_El-diagrammer/A3%2097-~18%20Soltag%2005.1997-04.2000.gif
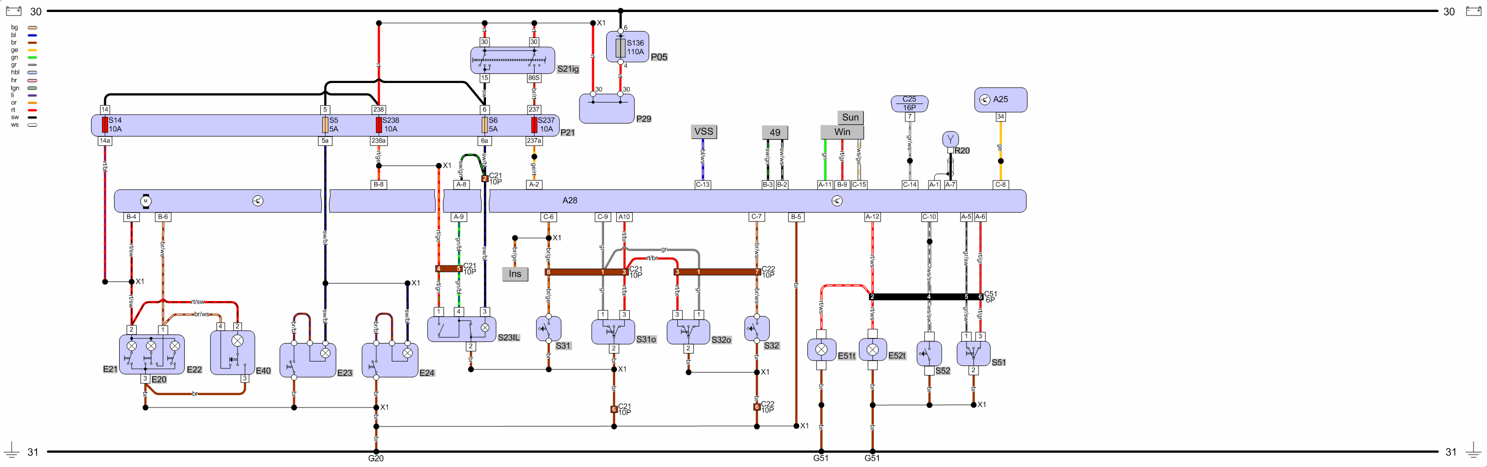
El-Ruder
http://image.tolerancedata.com/TekPic/Tolerance_El-diagrammer/A3%2097-~16%20Elruder%203d%c3%b8rs%20-04.2000.gif
audi a3, lednings diagram?