{{ getTotalHits() | thousandNumberSeperatorFilter }} resultater Filter
{{group.groupName}}

{{ group.groupName }}

Medlemmer: {{group.memberCount}}
Forside Forum Medlemmer Annoncer {{ group.itemMoreItems }}
911 visninger | Oprettet:

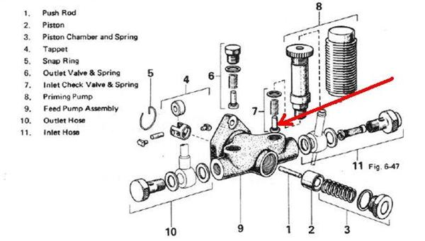
Mercedes sprinter 316cdi fra 2001vil ikke starte når det koldt {{forumTopicSubject}}

Den har altid Skulle køre lidt i starteren også om sommeren, lige så snart at der er minus grader starter den ikke og det er blevet være, den har nye gløderne og ny brændstofpumpe og ny starter, når man kører længe med starteren tænder og slukker lamperne i instrumentbrætet, har det noget at sige?. Den bruger ikke olie og ryger ikke og har kun kørt 200000 km. Hvad kan der være galt


Handyhand

Få billig hjælp fra private

Beskriv din opgave og modtag gratis bud fra lokale med Handyhand.

Seneste udførte opgaver

  • Nedtagning af 9x lamper 1.000 kr.
  • Fjerning af kalk i bruser 800 kr.
  • Opsætning af køkkenlåge som er faldet ned 1.000 kr.
  • Reparation af vaskemaskine 900 kr.
  • Eftersyn af knallert/scooter (Gilera Stalker 2006) 680 kr.
  • Skifte toilet 1.200 kr.

Opret en opgave

Kommentarer på:  Mercedes sprinter 316cdi fra 2001vil ikke starte når det koldt
Kommentér på:
Mercedes sprinter 316cdi fra 2001vil ikke starte når det koldt

Annonce