{{ getTotalHits() | thousandNumberSeperatorFilter }} resultater Filter
{{group.groupName}}

{{ group.groupName }}

Medlemmer: {{group.memberCount}}
Forside Forum Medlemmer Annoncer {{ group.itemMoreItems }}
Handyhand

Få billig hjælp fra private

Beskriv din opgave og modtag gratis bud fra lokale med Handyhand.

Seneste udførte opgaver

  • Nedtagning af to lamper 700 kr.
  • opvaskemaskine montering 700 kr.
  • Nyt amatur 900 kr.
  • Hjælp til opsætning af en svævehylde og 3 små svævehylder, samt et klapbord i køkken 1.250 kr.
  • Reparation ag opvaskemaskine 1.500 kr.

Opret en opgave

Kommentarer på:  positiv eller negativ styret centrallås
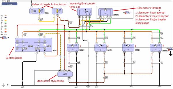
  • #4   7. dec 2015 nej det er ræle i sikringsboks i motorrum

  • #5   7. dec 2015 er den lidt bedre?


    profilbillede
  • #7   7. dec 2015 jamen den brune går fra Relæ/ sikringsboks i motorrum til Indvendig låse kontakt fører side og til Centrallåsrelæ


  • #9   7. dec 2015 her har jeg sat navne på

    profilbillede
  • #10   7. dec 2015 der er 2 den ene er BR og den anden er BR/SW

  • #13   7. dec 2015 okay mange tak.. så lige en ting mere..
    jeg har den her fjernbetjent enhed http://www.net-import.dk/images/IN0904-X%20manual.pdf

    jeg bruger så den negativ styret diagram
    jeg ved at den grøne er låse og den orange er låse op.
    så jeg skal tilslutte nr 3 hvid til lås op og 9 hvis/sort til lås ledning?


  • #15   7. dec 2015 okay tak jeg prøver smiley

  • #16   7. dec 2015 nu har jeg prøvet det.. og det virker ikke.. jeg har brugt grøn og orange fra døren låsen '


  • #17   7. dec 2015 Kontakten i døren styrer begge poler. Virkelig gammeldags og billig måde at lave det på.
    Brun ledning ind ben 4 forsyner med +12v, sort ben 6 er stel. Vippes kontakten venstre, kobles 4 + 3 sammen (plus på ben3), og 6 + 1 (stel på ben1).
    Vippes kontakten højre, er det ben 4+1, og ben 6+3.

    Men jeg mistænker også diagrammet for at være dårligt/forkert.
    Hvis du kigger på M31, førerdør centrallås motor, så har den en positionskontakt (ben 5 og 4) der normalt ville bruges til at fortælle centrallås boks, om døren er låst eller ulåst efter en handling med centrallåsmotoren. Den kontakt er på det her diagram sat mellem sikring 20a c/dr lock og stel. Dvs hvis den bliver aktiveret, knalder den sikringen til centrallåsen. Det kan ikke passe.

    Udover det, så sidder der to umiddelbart almindelige 87a relæer inde i centrallåsrelæ-boksen, som begge holder ben 7 og 8 direkte på stel, indtil enten lock eller unlock aktiveres, hvor så enten ben 7 eller 8 løftes fra stel og sættes til +.
    I så fald denne opsætning passer, så vil du igen bøffe sikringen med "indvendig låse kontakt førerside", hvis du vælger at ligge + på enten ben 3 eller 1, da det er en direkte forbindelse til stel gennem centrallåsrelæ K31u eller K31ul ben 87a.

    Jeg ville ikke tro på det diagram overhovedet.
    Men hvis jeg skulle prøve, ud fra det her, så ville jeg finde centrallås relæ, måle om der er 12v på ben 6 (rød/sort) (rød ledning multimeter på ben 6, sort ledning multimeter direkte på stel på karossen), og 12v på ben 2 (gul/sort) (rød ledning multimeter på ben 2, sort ledning multimeter direkte på stel på karossen).

    Hvis der er det, så vil jeg prøve at tage en ledning direkte fra stel, og røre ved et stykke afisoleret rød/sort ben6, eller gul/sort ben2

    De to ledninger ser ud til at stelstyre centrallås relæet.


Kommentér på:
positiv eller negativ styret centrallås

Annonce