4.844 visninger
|
Oprettet:
Citroën C1 fjernlys virker ikke {{forumTopicSubject}}
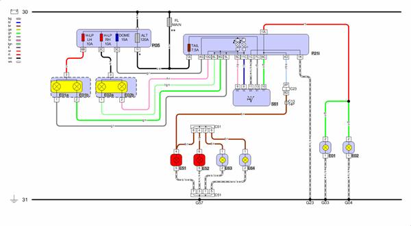
Halløj bg.. har en Citroën C1 fra 2008 1,0 Benz hvor fjernlys ikke virker, kan høre relæ klikker men intet lys. Den lyser heller ikke for fjernlys i instrumentbrættet når det aktiveres.. pærene er ikke sprunget og sikringer er tjekket.. nogen der kender til denne problem på citroen
nov 2005
Følgere: 170 Biler: 6 Emner: 173 Svar: 12.434
eller bsm boksen som sidder i motorrummet og styre det meste elektronisk i motorrummet ude på bilen
det er et kendt problem at en af dem stå af.
okt 2003
Følger: 13 Følgere: 54 Biler: 10 Emner: 123 Svar: 3.687
okt 2003
Følger: 13 Følgere: 54 Biler: 10 Emner: 123 Svar: 3.687
okt 2003
Følger: 13 Følgere: 54 Biler: 10 Emner: 123 Svar: 3.687
okt 2003
Følger: 13 Følgere: 54 Biler: 10 Emner: 123 Svar: 3.687
maj 2006
Følger: 13 Følgere: 13 Biler: 2 Emner: 3 Svar: 9
feb 2010
Følger: 2 Emner: 2 Svar: 5
Vores datter har en peugeot 107 med præcis samme problem.
Fandt du nogensinde ud af hvad fejlen var og i så fald hvad gjorde du for at udbedre den?
Mvh Christian
Citroën C1 fjernlys virker ikke